SUMADOR-RESTADOR 8 bits
1.Resumen
En el siguiente informe se encuentra toda la información de lo realizado en la cuarta práctica de laboratorio de electrónica digital, en donde se hizo un sumador-restador de 8 bits a base de la creación de componentes en el programa PSoC Creator.
2.Marco Teórico
la operación matemática más básica que se reconoce es la suma, que se denota como un conteo sucesivo de valores especificados. En los diferentes grupos númericos se representa a la suma, bajo el simbolo +.
Historicamente se empezo a usar esta operación como herramienta de supervivencia en los prmeros años del hombre, se usaba para el conteo de comida, de animales y de recursos.
Con la evolución y el desarrolo de la matematica y de la ritmetica se fueron postulando diferentes axiomas y propiedades que permiten representar diversos casos que se dan dentro de la operación y facilita el entendimiento de la misma.
La resta se denota como una inversion aditiva, puesto que se puede analisar como una suma con signo, en donde se presenta una eliminación de objetos a un grupo determinado. La resta se representa con el simbolo (-). Para el desarrollo de la matematica solo se entienden dos operaciones basicas: la suma y la mutiplicacion; por lo cual para facilidad de demostraciones y comprobación de axiomas la resta se analiza como caso particular de la suma.
2.1 Suma de binarios
Para llevar a cabo la suma de números binarios, se tienen en cuenta tres variables: Los sumandos, el acarreo y por ultimo el resultado.
se tienen 4 casos:

3.Desarrollo de la práctica
Para realizar la practica fue fundamental la creación de compenentes en PSoC, que nos permitio ahorrar espacio visual y en la memoria de nuestra herramienta.
Para esta practica solo se utilizo implementación en la PSoC, en donde esquematicaente se hizo todo el montaje del sumador-restador.
Procedimiento:
En primer lugar se creo un circuito logico para un sumador de un bit, mediante el uso dde compuertas, luego se hizo un encapsulamiento para este sumador y se obtuvo nuestro primer componente. Para crear nuestro sumador de 8 bits se conectaron 8 sumadores de 1 bit en paralelo y finalmente se encapsulo todo esto y se obtuvo el sumador de 8 bits.
En el siguiente informe se encuentra toda la información de lo realizado en la cuarta práctica de laboratorio de electrónica digital, en donde se hizo un sumador-restador de 8 bits a base de la creación de componentes en el programa PSoC Creator.
2.Marco Teórico
la operación matemática más básica que se reconoce es la suma, que se denota como un conteo sucesivo de valores especificados. En los diferentes grupos númericos se representa a la suma, bajo el simbolo +.
Historicamente se empezo a usar esta operación como herramienta de supervivencia en los prmeros años del hombre, se usaba para el conteo de comida, de animales y de recursos.
Con la evolución y el desarrolo de la matematica y de la ritmetica se fueron postulando diferentes axiomas y propiedades que permiten representar diversos casos que se dan dentro de la operación y facilita el entendimiento de la misma.
La resta se denota como una inversion aditiva, puesto que se puede analisar como una suma con signo, en donde se presenta una eliminación de objetos a un grupo determinado. La resta se representa con el simbolo (-). Para el desarrollo de la matematica solo se entienden dos operaciones basicas: la suma y la mutiplicacion; por lo cual para facilidad de demostraciones y comprobación de axiomas la resta se analiza como caso particular de la suma.
2.1 Suma de binarios
Para llevar a cabo la suma de números binarios, se tienen en cuenta tres variables: Los sumandos, el acarreo y por ultimo el resultado.
se tienen 4 casos:
- 0+0=0
- 0+1=1
- 1+0=1
- 1+1=10
El acarreo que se maneja en los números binarios es el mismo que se utiliza para el sistema decimal, en el caso 4 vemos que 1+1 es igual a 10, debido a que 1+1 es 0 y se acarrea un uno a la izquierda, es similar al caso de 9+1 en donde el resultado es 10.
Ejemplo:

https://hardwarehackingmx.files.wordpress.com/2013/08/suma1.png
3.Desarrollo de la práctica
Para realizar la practica fue fundamental la creación de compenentes en PSoC, que nos permitio ahorrar espacio visual y en la memoria de nuestra herramienta.
Para esta practica solo se utilizo implementación en la PSoC, en donde esquematicaente se hizo todo el montaje del sumador-restador.
Procedimiento:
En primer lugar se creo un circuito logico para un sumador de un bit, mediante el uso dde compuertas, luego se hizo un encapsulamiento para este sumador y se obtuvo nuestro primer componente. Para crear nuestro sumador de 8 bits se conectaron 8 sumadores de 1 bit en paralelo y finalmente se encapsulo todo esto y se obtuvo el sumador de 8 bits.
Imagen 1. Circuito lógico sumador de 1 bit.
Imagen 2. Encapsulamiento sumador de 1 bit.
Imagen 3. Conexión  en paralelo de 8 sumadores de 1 bit.
Para conectar los 8 sumadores de un bit se conecto el carrier de salida al carrier de entrada del siguiente sumador, asi sucesivamente desde el sumador del bit menos significativo hasta el bit mas significativo.
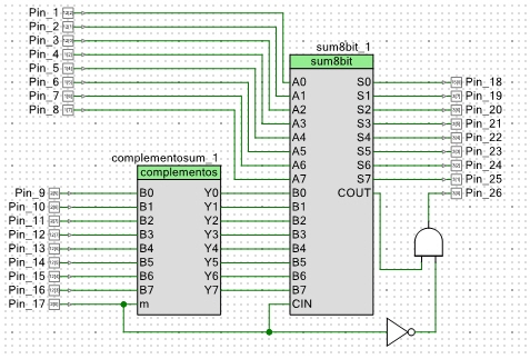
Para la parte del restador se adiciono un componente a la entrada B, que por medio de la implementación de compuertas X-OR permiten que cuando nuestra entrada m esta en 1 se genere el complemento a 1 para la suma, lo cual como vimos anteriormente en clase seria la representación binaria de la resta, cuando m este en 0 los bits del numero B van a permanecer iguales.
Imagen 4. Circuito lógico complemento a 1.
Imagen 5. Encapsulamiento  complemento a 1.
Al realizar adecuadamente las conexiones entre componentes, obtuvimos el siguiente montaje esquemático para el proyecto:
Imagen 6. Sumador-Restador 8 bits.
Después de la asignación de pines en la PSoC y de cablear adecuadamente las entradas y salidas en la protoboard, junto con dos dip switches para el control del valor de los números, se obtuvo el siguiente resultado:
4.Conclusiones
El uso de componentes en PSoC facilita los montajes esquemáticos, evitando errores de conexiones y optimizando el trabajo, al mismo tiempo también permite utilizar menos memoria de la PSoC. 






 
Comentarios
Publicar un comentario